This website requires JavaScript.
Explore
Help
Sign In
Mirror
/
smart-domofon
Watch
1
Star
0
Fork
0
You've already forked smart-domofon
mirror of
https://github.com/Anonym-tsk/smart-domofon.git
synced
2025-12-18 13:38:21 +03:00
Code
Issues
Packages
Projects
Releases
Wiki
Activity
Files
d2b98a866fbd5b24b72cc6b47be01a2b1d84b599
smart-domofon
/
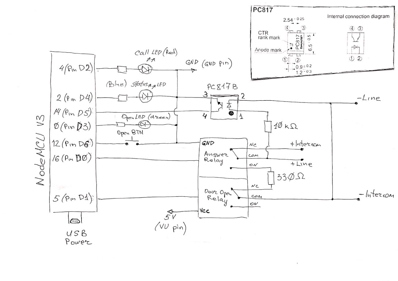
native
/
scheme.jpeg
Nikolay Vasilchuk
de4776eaa8
Code moved
2021-02-09 15:22:27 +03:00
84 KiB
1280x904px
Raw
History