This website requires JavaScript.
Explore
Help
Sign In
Mirror
/
smart-domofon
Watch
1
Star
0
Fork
0
You've already forked smart-domofon
mirror of
https://github.com/Anonym-tsk/smart-domofon.git
synced
2025-12-14 23:46:57 +03:00
Code
Issues
Packages
Projects
Releases
Wiki
Activity
Files
b3260cda1f90779c8219ae3523e6a3ab404d7e9c
smart-domofon
/
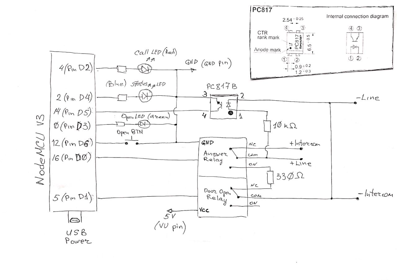
scheme.jpeg
Nikolay Vasilchuk
38b82bdff5
HA and scheme
2019-06-06 16:59:07 +03:00
84 KiB
1280x904px
Raw
History